Prawidłowe ustawienie zaworu trójdrożnego: Klucz do wydajnej i bezpiecznej instalacji grzewczej
- Zawory trójdrożne regulują przepływ i temperaturę czynnika, służąc do mieszania lub przełączania obiegów.
- Rozróżniamy zawory mieszające (ochrona kotła, stabilizacja temperatury) i przełączające (priorytet C.O./C.W.U.).
- Regulacja może być ręczna (pokrętło) lub automatyczna (siłownik sterowany przez automatykę).
- Błędy w ustawieniu prowadzą do korozji kotła, nierównomiernego grzania i zwiększonych kosztów eksploatacji.
- Optymalne ustawienie zapewnia oszczędności, komfort cieplny i długą żywotność całej instalacji.

Dlaczego prawidłowe ustawienie zaworu 3-drożnego to klucz do wydajnej i bezawaryjnej instalacji?
Oszczędność, komfort i ochrona: Trzy powody, by poświęcić chwilę na regulację
Z mojego doświadczenia wynika, że prawidłowe ustawienie zaworu trójdrożnego to jeden z tych elementów instalacji grzewczej, który często jest niedoceniany, a ma ogromny wpływ na jej efektywność i żywotność. Przede wszystkim przekłada się to na realne oszczędności energii. Optymalna temperatura czynnika grzewczego oznacza, że system nie przegrzewa się ani nie pracuje ze zbyt niską wydajnością, co bezpośrednio wpływa na niższe rachunki za ogrzewanie. Po drugie, zyskujemy zwiększony komfort cieplny. Stabilna temperatura w pomieszczeniach, bez nagłych wahań, oraz stała temperatura ciepłej wody użytkowej to podstawa dobrego samopoczucia w domu.
Co równie ważne, a często pomijane, to ochrona kluczowych elementów instalacji. Mówię tu przede wszystkim o kotle, zwłaszcza tych na paliwo stałe. Zawór trójdrożny, odpowiednio ustawiony, zapobiega korozji niskotemperaturowej, utrzymując odpowiednią temperaturę powrotu czynnika grzewczego. To nie jest drobiazg to inwestycja w długoterminową sprawność i bezawaryjną pracę całego systemu. Wierzę, że poświęcenie chwili na jego regulację zwróci się wielokrotnie.
Jakie problemy sygnalizuje źle działający zawór? Rozpoznaj pierwsze objawy
Niestety, często dopiero problemy z instalacją skłaniają nas do zainteresowania się zaworem trójdrożnym. Warto jednak wiedzieć, jakie sygnały powinny nas zaalarmować. Typowe objawy wskazujące na nieprawidłowe działanie lub ustawienie zaworu to przede wszystkim nierównomierne grzanie jedne grzejniki są gorące, inne ledwo ciepłe, a w skrajnych przypadkach całe pomieszczenia pozostają zimne. Innym częstym problemem są wahania temperatury ciepłej wody użytkowej; raz jest gorąca, raz ledwo letnia, co jest szczególnie frustrujące pod prysznicem.
Możemy również zaobserwować hałasy w instalacji, takie jak stukanie, szumy czy bulgotanie, które mogą świadczyć o nieprawidłowym przepływie lub zapowietrzeniu. W przypadku kotłów, zwłaszcza tych na paliwo stałe, nieprawidłowo działający zawór może prowadzić do przegrzewania się kotła lub, co gorsza, do pracy z zbyt niską temperaturą powrotu, co jest dla niego bardzo szkodliwe. Podkreślam, że wczesne rozpoznanie tych sygnałów może zapobiec poważniejszym awariom i kosztownym naprawom.

Mieszający czy przełączający? Rozszyfruj, jaki zawór posiadasz i jak działa
Zawór mieszający: Twój strażnik idealnej temperatury i ochrony kotła
Zawór mieszający to prawdziwy bohater w instalacji grzewczej, choć często pracuje w cieniu. Jego główna funkcja polega na mieszaniu gorącej wody z kotła z chłodniejszą wodą powracającą z instalacji. Celem jest uzyskanie dokładnie zadanej temperatury na wyjściu, na przykład dla ogrzewania podłogowego, które wymaga znacznie niższej temperatury niż tradycyjne grzejniki. To właśnie on dba o to, by do delikatnych pętli podłogówki nie trafiła zbyt gorąca woda, która mogłaby uszkodzić posadzkę.
Jednak jego rola nie kończy się na komforcie. Zawór mieszający jest również kluczowy dla ochrony kotłów na paliwo stałe. Zapobiega on korozji niskotemperaturowej, która powstaje, gdy zbyt zimna woda wraca do kotła. Taka sytuacja prowadzi do kondensacji spalin i osadzania się szkodliwych substancji na ściankach kotła, co drastycznie skraca jego żywotność. Dzięki zaworowi mieszającemu, który podnosi temperaturę powrotu do optymalnych 50-60°C, kocioł pracuje w bezpiecznych warunkach. Uważam, że to jeden z najważniejszych elementów, jeśli zależy nam na długowieczności naszego systemu grzewczego.
Zawór przełączający: Inteligentny dyspozytor ciepła między C. O. a ciepłą wodą
W przeciwieństwie do zaworu mieszającego, zawór przełączający (zwany też rozdzielającym) ma inne zadanie jest to inteligentny dyspozytor ciepła. Jego praca polega na przekierowaniu całego strumienia czynnika grzewczego na jeden z dwóch obiegów. Nie miesza on wody, lecz decyduje, dokąd ma ona płynąć w danym momencie. Najbardziej typowym zastosowaniem jest przełączanie między zasilaniem instalacji centralnego ogrzewania (C.O.) a podgrzewaniem ciepłej wody użytkowej (C.W.U.).
Gdy potrzebujemy ciepłej wody, zawór przełącza się, kierując całą moc kotła do zasobnika C.W.U. Po osiągnięciu zadanej temperatury w zasobniku, zawór wraca do pozycji zasilającej C.O. To rozwiązanie zapewnia nam komfort nieprzerwanych dostaw ciepłej wody. Zawory przełączające mogą być również wykorzystywane do obsługi dwóch różnych źródeł ciepła, na przykład kotła gazowego i kominka z płaszczem wodnym, co pozwala na elastyczne zarządzanie energią w domu.
Jak rozpoznać typ zaworu po budowie i oznaczeniach (A, B, AB)?
Rozpoznanie typu zaworu i jego prawidłowe podłączenie jest kluczowe. Fizycznie, zawór trójdrożny ma charakterystyczny korpus w kształcie litery "T" z trzema przyłączami, czyli portami. Wewnątrz znajduje się element regulujący, który w zależności od konstrukcji może być kulą, grzybkiem lub tarczą, sterującym przepływem czynnika.
Na korpusie zaworu często znajdziemy oznaczenia literowe (A, B, AB), które są niezwykle pomocne przy montażu. Zazwyczaj port AB to wejście lub wyjście główne, gdzie woda jest mieszana lub skąd jest rozdzielana. Porty A i B to natomiast porty poszczególnych obiegów. Na przykład, w zaworze mieszającym, AB może być wyjściem zmieszanej wody, A wejściem gorącej z kotła, a B wejściem chłodnej z powrotu. W zaworze przełączającym, AB to wejście z kotła, a A i B to wyjścia na C.O. i C.W.U.
Zawsze, ale to zawsze należy zwracać szczególną uwagę na strzałki znajdujące się na korpusie zaworu. Wskazują one kierunek przepływu czynnika i są absolutnie kluczowe dla prawidłowego działania. Błędne podłączenie, nawet jeśli wydaje się logiczne, może całkowicie uniemożliwić pracę instalacji lub doprowadzić do jej uszkodzenia.
Regulacja krok po kroku: Przewodnik od A do Z
Zanim zaczniesz: Przygotowanie i zasady bezpieczeństwa
Zanim przystąpisz do jakichkolwiek prac przy instalacji grzewczej, bezpieczeństwo jest absolutnym priorytetem. Zawsze powtarzam moim klientom, że lepiej poświęcić kilka minut na przygotowanie, niż potem żałować. Oto lista niezbędnych kroków i zasad:
- Wyłącz kocioł: To najważniejsza zasada. Upewnij się, że kocioł jest całkowicie wyłączony i ostygł, aby uniknąć ryzyka poparzenia gorącą wodą.
- Załóż rękawice ochronne: Instalacje grzewcze bywają brudne, a elementy mogą być ostre lub gorące. Rękawice ochronne to podstawa.
- Przygotuj narzędzia: Upewnij się, że masz pod ręką wszystkie niezbędne narzędzia, takie jak klucze (najczęściej nastawne lub płaskie odpowiednich rozmiarów), śrubokręty, a w razie potrzeby miernik temperatury.
- Zapoznaj się z instrukcją: Każdy model zaworu i kotła może mieć swoje specyficzne wymagania. Dokładne zapoznanie się z instrukcją obsługi producenta to gwarancja prawidłowego postępowania.
- Zabezpiecz podłogę: W razie wycieku wody, warto mieć pod ręką szmatki lub ręczniki, aby uniknąć zalania.
Pamiętaj, że pośpiech jest złym doradcą. Spokój i metodyczne podejście to klucz do sukcesu.
Metoda manualna: Jak ustawić zawór za pomocą pokrętła?
Ręczna regulacja zaworu trójdrożnego to najprostsza metoda, ale wymaga cierpliwości i ciągłej obserwacji. Polega ona na fizycznym ustawieniu pozycji zaworu za pomocą pokrętła lub dźwigni, które zazwyczaj znajdują się na jego korpusie. Z mojego doświadczenia wiem, że ta metoda jest skuteczna, ale wymaga ręcznych korekt przy każdej zmianie warunków zewnętrznych lub zapotrzebowania na ciepło. Oto jak to zrobić krok po kroku:
- Zlokalizuj pokrętło/dźwignię regulacyjną na zaworze. Zazwyczaj jest ono wyraźnie oznaczone i łatwo dostępne.
- Obserwuj aktualną temperaturę czynnika. Pomocne będą termometry zamontowane na rurach zasilającej i powrotnej lub odczyty ze sterownika, jeśli są dostępne.
- Obracaj pokrętło stopniowo, małymi ruchami. Kierunek obrotu (zwiększenie/zmniejszenie przepływu) jest zazwyczaj oznaczony na zaworze lub w instrukcji producenta. Pamiętaj, że nawet niewielki ruch może mieć duży wpływ na temperaturę.
- Odczekaj pewien czas (np. 15-30 minut) na stabilizację temperatury w instalacji. Woda w systemie musi mieć czas, aby się przemieścić i wyrównać temperaturę.
- W razie potrzeby powtórz regulację, aż do uzyskania pożądanej temperatury. Nie bój się eksperymentować, ale zawsze rób to stopniowo.
Podkreślam, że jest to metoda wymagająca cierpliwości i ciągłej obserwacji. Nie oczekuj natychmiastowych efektów po każdym drobnym ruchu pokrętła.
Regulacja automatyczna: Jak prawidłowo skonfigurować zawór z siłownikiem?
Regulacja automatyczna to krok w stronę nowoczesności i wygody. Wykorzystuje ona siłownik elektryczny, który montuje się bezpośrednio na zaworze. Siłownik ten jest sterowany przez automatykę kotła lub zewnętrzny sterownik (np. pogodowy, pokojowy), co pozwala na automatyczne dostosowywanie pozycji zaworu w celu utrzymania zadanej temperatury. To rozwiązanie jest znacznie bardziej precyzyjne, komfortowe i, co ważne, oszczędne, ponieważ system reaguje na bieżące potrzeby. Oto ogólne kroki konfiguracji:
- Upewnij się, że siłownik jest prawidłowo zamontowany na zaworze i podłączony do sterownika. Sprawdź, czy jest stabilny i czy ruchy zaworu nie są niczym blokowane.
- W menu sterownika kotła lub zewnętrznego sterownika znajdź ustawienia dotyczące zaworu mieszającego/przełączającego. Każdy sterownik ma swoją specyfikę, więc instrukcja jest tu nieoceniona.
- Wprowadź docelową temperaturę dla danego obiegu (np. temperatura zasilania ogrzewania podłogowego). To jest temperatura, którą system będzie starał się utrzymać.
- Skonfiguruj parametry pracy siłownika, takie jak czas obrotu (jak szybko ma reagować) czy kierunek działania (czy otwiera, czy zamyka zawór w zależności od sygnału), jeśli producent to przewiduje.
- Monitoruj działanie systemu i w razie potrzeby dokonaj drobnych korekt w ustawieniach sterownika. Czasem potrzeba kilku dni, aby system "nauczył się" optymalnej pracy.
Zaznaczam, że szczegółowe instrukcje zawsze znajdują się w dokumentacji technicznej siłownika i sterownika. Nie próbuj "zgadywać" ustawień to może prowadzić do nieefektywnej pracy lub nawet uszkodzenia.
Ustawienia dedykowane: Jak dostosować zawór do konkretnych zadań?
Ogrzewanie podłogowe: Jak ustawić zawór, by nie uszkodzić posadzki i zapewnić komfort?
W systemach ogrzewania podłogowego zawór mieszający odgrywa absolutnie kluczową rolę. Jest on niezbędny do obniżenia temperatury wody zasilającej pętle grzewcze. Dlaczego to takie ważne? Otóż zbyt wysoka temperatura wody w podłogówce może nie tylko prowadzić do dyskomfortu, ale przede wszystkim uszkodzić posadzkę, powodując jej pękanie lub odkształcanie. Delikatne materiały wykończeniowe i same rury podłogowe nie są przystosowane do pracy z temperaturami takimi jak w grzejnikach.
Zawór mieszający precyzyjnie reguluje temperaturę, zapewniając zarówno ochronę posadzki, jak i optymalny komfort cieplny. Orientacyjne zakresy temperatur zasilania dla ogrzewania podłogowego to zazwyczaj 30-45°C. Jednak zawsze podkreślam, że należy bezwzględnie kierować się zaleceniami producenta podłogi i systemu ogrzewania podłogowego. To oni najlepiej znają parametry swoich produktów i tylko ich wytyczne gwarantują bezpieczeństwo i wydajność.
Priorytet ciepłej wody (C. W. U. ): Konfiguracja dla nieprzerwanych dostaw ciepłej wody
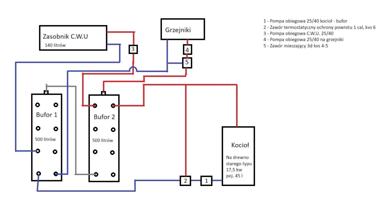
Dla wielu z nas nieprzerwane dostawy ciepłej wody użytkowej to podstawa komfortu w domu. Właśnie w tym celu zawór przełączający jest konfigurowany tak, aby zapewnić priorytet ciepłej wody użytkowej. Jak to działa? W trybie priorytetu, gdy tylko czujnik w zasobniku C.W.U. zasygnalizuje spadek temperatury wody poniżej zadanego poziomu, zawór przełączający kieruje całą moc kotła na ogrzewanie wody w zasobniku. Oznacza to, że na ten czas, ogrzewanie centralne zostaje wstrzymane.
Dopiero po osiągnięciu zadanej temperatury w zasobniku C.W.U., zawór automatycznie przełącza się z powrotem na obieg centralnego ogrzewania. To rozwiązanie gwarantuje nam nieprzerwane dostawy ciepłej wody, nawet jeśli wiąże się to z chwilowym obniżeniem temperatury w grzejnikach. W praktyce, w dobrze izolowanym domu, to chwilowe obniżenie temperatury C.O. jest zazwyczaj niezauważalne dla mieszkańców, a korzyść w postaci zawsze dostępnej ciepłej wody jest nieoceniona.
Ochrona powrotu kotła: Kluczowe ustawienie dla długiej żywotności urządzenia
Jak już wspomniałem, ochrona powrotu kotła to absolutna podstawa, szczególnie w przypadku kotłów na paliwo stałe. Zawór mieszający odgrywa tu rolę swoistego "strażnika zdrowia" urządzenia. Jego zadaniem jest domieszkowywanie gorącej wody z zasilania do chłodnej wody powrotnej z instalacji. Dlaczego to tak ważne? Gdy zbyt zimna woda wraca do kotła (poniżej 50-55°C), w jego wnętrzu dochodzi do kondensacji spalin. Powstaje wówczas agresywny kondensat, który powoduje korozję niskotemperaturową materiału kotła.
To zjawisko jest cichym zabójcą kotłów, drastycznie skracającym ich żywotność. Prawidłowo ustawiony zawór mieszający podnosi temperaturę wody powracającej do kotła do bezpiecznego poziomu (powyżej 50-55°C), zapobiegając kondensacji i chroniąc wnętrze urządzenia. Uważam, że to kluczowe ustawienie znacząco wydłuża żywotność kotła, minimalizuje ryzyko awarii i pozwala uniknąć kosztownych wymian. To inwestycja w spokój na lata.
Najczęstsze błędy i problemy: Jak ich unikać i co robić, gdy się pojawią?
Błąd #1: Zbyt niska temperatura powrotu cichy zabójca Twojego kotła
Zbyt niska temperatura powrotu to, moim zdaniem, jeden z najgroźniejszych błędów, jakie można popełnić w instalacji grzewczej, zwłaszcza z kotłem na paliwo stałe. Jak już wcześniej wspomniałem, prowadzi to do kondensacji spalin i korozji kotła, co nieuchronnie skraca jego żywotność. Przyczyny mogą być różne: od niewłaściwego ustawienia zaworu mieszającego, który nie podnosi dostatecznie temperatury powrotu, po jego całkowity brak w instalacji. Niekiedy problemem jest też zły dobór wielkości zaworu.
Moja rada jest prosta: regularnie kontroluj temperaturę powrotu. Jeśli jest ona stale poniżej 50-55°C, musisz działać. Należy wtedy skorygować ustawienie zaworu mieszającego, aby zwiększyć domieszkę gorącej wody do powrotu. Jeśli zaworu brakuje, jego montaż jest absolutnie niezbędny. Pamiętaj, że ignorowanie tego problemu to proszenie się o poważną awarię i konieczność wymiany kotła.
Błąd #2: Odwrotne podłączenie dlaczego instalacja nie działa mimo Twoich starań?
To błąd, który często widuję u osób, które próbują samodzielnie montować elementy instalacji bez dostatecznej wiedzy. Odwrotne podłączenie króćców zaworu trójdrożnego to prosta droga do frustracji. Ignorowanie strzałek kierunku przepływu lub błędne podłączenie portów A, B, AB może skutkować wieloma problemami: od całkowitego braku przepływu czynnika grzewczego, przez nieefektywne działanie instalacji (np. grzejniki ledwo ciepłe), aż po całkowity brak ogrzewania lub ciepłej wody.
Zawsze zalecam: dokładnie sprawdź schemat podłączenia zaworu w instrukcji producenta oraz oznaczenia i strzałki na samym korpusie zaworu. Zrób to przed montażem, a nie po tym, jak instalacja nie działa. Czasem wystarczy drobna pomyłka, aby cały system przestał funkcjonować prawidłowo. Lepiej poświęcić kilka minut na weryfikację, niż potem tracić godziny na szukanie przyczyny problemu.
Błąd #3: Niewłaściwa współpraca z siłownikiem gdy automatyka zawodzi
Automatyka zaworu trójdrożnego to świetne rozwiązanie, ale i ona potrafi sprawić kłopoty. Niewłaściwa współpraca z siłownikiem to częsty problem. Typowe przyczyny to: nieprawidłowe okablowanie siłownika (źle podłączone przewody do sterownika), uszkodzony czujnik temperatury (który podaje błędne dane do sterownika), złe ustawienie kierunku otwierania/zamykania siłownika w sterowniku (siłownik działa "na odwrót" niż powinien) lub po prostu mechaniczne zablokowanie siłownika (np. przez zanieczyszczenia lub uszkodzenie mechaniczne).
Jeśli automatyka zawodzi, zacznij od sprawdzenia kilku rzeczy: przede wszystkim instrukcji siłownika i sterownika upewnij się, że okablowanie jest zgodne ze schematem. Następnie skalibruj czujniki temperatury, jeśli sterownik na to pozwala. Sprawdź również, czy siłownik nie jest mechanicznie zablokowany odłącz go od zaworu i zobacz, czy swobodnie się porusza. Często proste sprawdzenie tych elementów pozwala szybko zdiagnozować i rozwiązać problem.
Szybka diagnostyka: Co oznaczają stuki, szumy i zimne grzejniki?
Rozpoznawanie objawów to pierwszy krok do rozwiązania problemu. Oto krótka lista typowych sygnałów i ich możliwych przyczyn związanych z zaworem trójdrożnym:
-
Stuki/szumy w instalacji:
- Może wskazywać na zapowietrzenie systemu. Spróbuj odpowietrzyć grzejniki i sprawdzić, czy problem ustępuje.
- Czasem świadczy o zbyt szybkim przepływie czynnika przez zawór, co może wymagać korekty ustawień pompy lub zaworu.
- W rzadszych przypadkach może oznaczać uszkodzenie wewnętrznych elementów zaworu, np. luzy na grzybku.
-
Zimne grzejniki mimo pracy kotła:
- Może oznaczać zablokowany zawór (np. przez kamień lub zanieczyszczenia), który nie otwiera się prawidłowo.
- Często jest to wynik niewłaściwego ustawienia zaworu cały przepływ jest kierowany na inny obieg (np. na C.W.U. zamiast na C.O.).
- Pamiętaj o możliwości odwrotnego podłączenia zaworu, co całkowicie uniemożliwia jego prawidłową pracę.
-
Wahania temperatury C.W.U.:
- To często związane z nieprawidłową pracą zaworu przełączającego lub jego automatyki. Może być to problem z czujnikiem temperatury w zasobniku lub z samym siłownikiem.
- Sprawdź, czy zawór prawidłowo przełącza się między obiegiem C.O. a C.W.U. i czy nie "zawiesza się" w którejś pozycji.

Czy moja instalacja jest już optymalna? Sprawdź i ciesz się perfekcyjnym działaniem
Weryfikacja ustawień: Jak sprawdzić, czy temperatura w każdym obiegu jest prawidłowa?
Poświęciliśmy sporo czasu na regulację, ale skąd wiedzieć, czy nasze wysiłki przyniosły pożądany efekt? Kluczem jest regularna weryfikacja i monitorowanie. Zalecam systematyczne sprawdzanie temperatur w różnych punktach instalacji. Możesz to robić za pomocą termometrów zamontowanych na rurach (co jest najprostszą i najszybszą metodą) lub odczytując dane ze sterownika kotła, jeśli taki posiadasz.
Na co zwracać uwagę? Przede wszystkim na temperaturę zasilania C.O. (czy jest zgodna z Twoimi oczekiwaniami i potrzebami grzejników), temperaturę powrotu do kotła (musi być powyżej 50-55°C, aby chronić kocioł), temperaturę zasilania ogrzewania podłogowego (zazwyczaj 30-45°C, zgodnie z zaleceniami producenta podłogi) oraz temperaturę w zasobniku C.W.U. (czy jest stabilna i na odpowiednim poziomie). Tylko regularne monitorowanie tych parametrów pozwoli Ci ocenić, czy Twój system działa optymalnie i czy zawór trójdrożny spełnia swoje zadanie.
Przeczytaj również: Podłącz siłownik do zaworu 4D: Poradnik i sekrety kalibracji
Podsumowanie korzyści: Prawidłowo ustawiony zawór to realne oszczędności na rachunkach
Podsumowując nasze rozważania, jestem przekonany, że prawidłowe ustawienie i dbałość o zawór trójdrożny to jeden z najważniejszych aspektów efektywnego zarządzania instalacją grzewczą. Korzyści są wymierne i odczuwalne. Przede wszystkim, to realne oszczędności na rachunkach za ogrzewanie optymalna praca systemu oznacza mniejsze zużycie paliwa. Po drugie, to wydłużona żywotność całej instalacji grzewczej, a zwłaszcza kotła, który jest chroniony przed szkodliwą korozją niskotemperaturową.
Nie zapominajmy także o zwiększonym komforcie cieplnym w Twoim domu stabilne temperatury i zawsze dostępna ciepła woda to podstawa dobrego samopoczucia. Wreszcie, prawidłowo ustawiony zawór to mniejsze ryzyko awarii i kosztownych napraw, co przekłada się na spokój ducha. Zachęcam każdego właściciela instalacji grzewczej do poświęcenia uwagi temu kluczowemu elementowi. To mała inwestycja czasu, która przyniesie duże zyski w postaci wydajnego, bezpiecznego i komfortowego ogrzewania.
