Artykuł kompleksowo omówi rolę zaworu trójdrożnego w instalacjach centralnego ogrzewania, wyjaśniając jego działanie, korzyści, zasady doboru i montażu, a także najczęstsze problemy. Zrozumienie tego kluczowego elementu pozwoli na optymalizację pracy systemu grzewczego, zapewniając bezpieczeństwo, wydajność i komfort cieplny w Twoim domu.
Zawór trójdrożny: klucz do wydajnego i bezpiecznego ogrzewania pieca CO.
- Zawór trójdrożny reguluje temperaturę i kierunek przepływu czynnika grzewczego, chroniąc kocioł przed korozją niskotemperaturową.
- Wyróżnia się typy mieszające (obniżają temp. do instalacji) i przełączające (kierują przepływ do różnych obiegów).
- Jego zastosowanie zwiększa efektywność energetyczną, obniża rachunki za opał i zapewnia stabilny komfort cieplny.
- Ważny w instalacjach z kotłami na paliwa stałe; różni się funkcjonalnością od zaworu czterodrożnego.
- Prawidłowy dobór (średnica, Kvs) i montaż (na zasilaniu/powrocie, przed/za pompą) są kluczowe dla jego skuteczności.
- Automatyzacja pracy zaworu poprzez siłownik poprawia precyzję i wygodę użytkowania.
- Najczęstsze problemy to zanieczyszczenia blokujące mechanizm lub awarie siłownika, objawiające się nierównomiernym grzaniem lub hałasami.

Dlaczego mały zawór jest kluczem do wydajnego i bezpiecznego ogrzewania?
Zastanawialiście się kiedyś, co sprawia, że Wasz system grzewczy działa nie tylko efektywnie, ale i bezpiecznie przez długie lata? Często kluczem do tego jest niewielki, ale niezwykle ważny element, jakim jest zawór trójdrożny. Z mojego doświadczenia w branży instalacyjnej wiem, że jego rola jest często niedoceniana, a przecież to on w dużej mierze decyduje o komforcie cieplnym i żywotności kotła.
Rola zaworu trójdrożnego w nowoczesnej instalacji C. O.
Zawór trójdrożny to serce układu regulacji temperatury w wielu instalacjach centralnego ogrzewania. Jego fundamentalną rolą jest regulacja temperatury i kierunku przepływu czynnika grzewczego. Działa on jak inteligentny rozdzielacz i mieszacz, który dba o to, aby do poszczególnych obiegów grzewczych (np. grzejników czy ogrzewania podłogowego) trafiała woda o odpowiedniej, zadanej temperaturze. W nowoczesnych systemach, gdzie często mamy do czynienia z różnymi źródłami ciepła i zróżnicowanymi potrzebami temperaturowymi, zawór trójdrożny staje się wręcz niezbędny do zapewnienia ogólnej efektywności i bezpieczeństwa całej instalacji.Kiedy montaż zaworu jest nie tylko opcją, ale koniecznością?
Są sytuacje, w których montaż zaworu trójdrożnego nie jest jedynie opcją poprawiającą komfort, ale wręcz koniecznością. Najważniejszym scenariuszem jest ochrona kotłów na paliwa stałe czy to na ekogroszek, pellet, czy drewno przed tzw. korozją niskotemperaturową. To zjawisko, nazywane potocznie "poceniem się" kotła, jest niezwykle szkodliwe i drastycznie skraca jego żywotność. Zawór trójdrożny, podnosząc temperaturę wody powracającej do kotła, skutecznie temu zapobiega. Co więcej, w wielu przypadkach producent kotła uzależnia gwarancję od prawidłowego montażu i działania zaworu trójdrożnego. Ponadto, zawór jest niezbędny w instalacjach, które zarządzają różnymi temperaturami, np. gdy mamy jednocześnie grzejniki (wymagające wyższej temperatury) i ogrzewanie podłogowe (potrzebujące znacznie niższej temperatury czynnika grzewczego). W takich hybrydowych systemach, bez zaworu trójdrożnego, utrzymanie optymalnych warunków pracy i komfortu byłoby niemożliwe.

Serce układu, czyli jak działa zawór trójdrożny?
Aby w pełni zrozumieć korzyści płynące z zastosowania zaworu trójdrożnego, musimy zagłębić się w jego mechanizm działania. To właśnie tam tkwi geniusz tego prostego, a zarazem niezwykle funkcjonalnego urządzenia.
Mieszanie czy przełączanie? Dwie fundamentalne funkcje zaworu
W praktyce spotykamy się z dwoma głównymi typami zaworów trójdrożnych, które, choć mają podobną nazwę, pełnią nieco odmienne funkcje:
- Zawór mieszający: Jest to najczęściej spotykany typ. Jego zadaniem jest łączenie gorącej wody z zasilania kotła z chłodniejszą wodą powracającą z instalacji. Dzięki temu, do obiegu grzewczego (np. do grzejników lub, co kluczowe, do ogrzewania podłogowego) trafia czynnik o obniżonej, precyzyjnie zadanej temperaturze. To pozwala na utrzymanie optymalnej temperatury w pomieszczeniach i ochronę delikatniejszych elementów instalacji, jak np. rury ogrzewania podłogowego.
- Zawór przełączający (rozdzielający): Ten typ zaworu ma za zadanie kierować cały strumień medium z jednego wejścia na jedno z dwóch wyjść. Działa jak swego rodzaju "zwrotnica", umożliwiając naprzemienne zasilanie dwóch różnych obiegów, na przykład centralnego ogrzewania (C.O.) i ciepłej wody użytkowej (C.W.U.). Kiedy kocioł pracuje na potrzeby C.W.U., zawór kieruje całe ciepło do zasobnika, a gdy woda w zasobniku osiągnie zadaną temperaturę, zawór przełącza przepływ na obieg C.O.
Zasada działania krok po kroku: od gorącej wody z kotła po komfort w grzejnikach
Wyobraźmy sobie ten proces. Kocioł pracuje, podgrzewając wodę do wysokiej temperatury, powiedzmy 70-80°C. Ta gorąca woda trafia do zaworu trójdrożnego. Jednocześnie, z instalacji grzewczej (np. z grzejników) wraca woda o niższej temperaturze. Zawór trójdrożny, poprzez obrót elementu wewnętrznego (np. kuli lub grzybka), precyzyjnie miesza te dwa strumienie. Efektem jest woda o temperaturze idealnie dopasowanej do potrzeb instalacji, np. 55°C dla grzejników lub 35°C dla ogrzewania podłogowego. Ten proces może być sterowany ręcznie, za pomocą pokrętła na zaworze, ale w zdecydowanej większości nowoczesnych instalacji odbywa się to automatycznie, za pomocą siłownika elektrycznego, który reaguje na sygnały ze sterownika kotła lub czujników temperatury.
Anatomia zaworu: z czego się składa i dlaczego to ważne?
Jako instalator, zawsze zwracam uwagę na budowę urządzenia, bo to ona często decyduje o jego trwałości i niezawodności. Zawór trójdrożny składa się z kilku podstawowych elementów:
- Korpus: Zazwyczaj wykonany z mosiądzu lub żeliwa, stanowi główną obudowę zaworu i zawiera trzy króćce przyłączeniowe (dwa wejścia, jedno wyjście lub jedno wejście, dwa wyjścia, w zależności od funkcji).
- Element obrotowy/kulowy/grzybkowy: To ruchoma część wewnątrz korpusu, która, obracając się, zmienia proporcje mieszanej wody lub kierunkuje przepływ. Jego precyzja i jakość wykonania są kluczowe dla prawidłowego działania.
- Uszczelnienia: Zapewniają szczelność zaworu i chronią przed wyciekami.
- Trzpień: Element, który łączy element obrotowy z pokrętłem ręcznym lub siłownikiem.
Zrozumienie tej budowy jest pomocne nie tylko przy doborze odpowiedniego modelu, ale także w przypadku ewentualnych problemów. Znając anatomię zaworu, łatwiej jest zdiagnozować, czy problem leży w zanieczyszczeniach, uszkodzeniu elementu obrotowego, czy też awarii siłownika.
Więcej niż regulacja temperatury: realne korzyści dla Twojego domu i portfela
Zastosowanie zaworu trójdrożnego to nie tylko kwestia technicznej poprawności instalacji. To przede wszystkim inwestycja, która przynosi wymierne korzyści dla bezpieczeństwa, efektywności i komfortu w Twoim domu.
Tarcza ochronna dla Twojego pieca: jak zawór chroni kocioł przed zabójczą korozją niskotemperaturową?
To jest punkt, który zawsze podkreślam moim klientom, zwłaszcza tym posiadającym kotły na paliwa stałe. Korozja niskotemperaturowa, czyli "pocenie się" kotła, to prawdziwa zmora. Dzieje się tak, gdy do gorącego kotła powraca zbyt zimna woda z instalacji. Na zimnych ściankach kotła kondensuje para wodna, tworząc kwaśne osady, które agresywnie niszczą stal kotła. Zawór trójdrożny działa tu jak tarcza ochronna. Jego zadaniem jest podniesienie temperatury wody powracającej do kotła poprzez domieszanie do niej gorącej wody z zasilania. Dzięki temu temperatura powrotu jest zawsze wystarczająco wysoka (zazwyczaj powyżej 55-60°C), co skutecznie eliminuje ryzyko kondensacji i korozji. Pamiętajcie, że w wielu przypadkach brak zaworu trójdrożnego (lub jego nieprawidłowe działanie) może skutkować utratą gwarancji producenta kotła. To wystarczający powód, by traktować ten element priorytetowo.
Mniejsze rachunki za opał: optymalizacja zużycia paliwa dzięki inteligentnemu zarządzaniu ciepłem
Kto z nas nie lubi oszczędzać? Zawór trójdrożny przyczynia się do tego w znaczący sposób. Kotły na paliwa stałe, aby pracować efektywnie i ekologicznie, powinny utrzymywać wysoką temperaturę spalania. Dzięki zaworowi trójdrożnemu, kocioł może pracować w swojej optymalnej, wysokiej temperaturze (np. 70-80°C), co przekłada się na lepsze spalanie i mniejsze zużycie paliwa. Jednocześnie, zawór ten dostarcza do instalacji grzewczej wodę o niższej, komfortowej temperaturze, np. 50-55°C do grzejników. Bez zaworu, aby obniżyć temperaturę w grzejnikach, musielibyśmy obniżyć temperaturę w kotle, co prowadziłoby do nieefektywnego spalania, większego zużycia opału i wspomnianej już korozji. To prosta matematyka optymalizacja pracy kotła to bezpośrednie przełożenie na niższe rachunki za opał.
Idealna temperatura w każdym pomieszczeniu: rola zaworu w ogrzewaniu podłogowym i grzejnikowym
Współczesne systemy grzewcze to często hybrydy, łączące różne typy odbiorników ciepła. Typowym przykładem jest połączenie tradycyjnych grzejników z ogrzewaniem podłogowym. Grzejniki wymagają zazwyczaj wody o temperaturze 50-60°C, natomiast ogrzewanie podłogowe, ze względu na swoją specyfikę, potrzebuje znacznie niższej temperatury, rzędu 30-40°C. Zawór trójdrożny jest tu absolutnie kluczowy. Pozwala on na precyzyjne przygotowanie czynnika grzewczego o dwóch różnych temperaturach. Dzięki temu, w każdym pomieszczeniu panuje idealna temperatura, a ogrzewanie podłogowe jest chronione przed przegrzaniem, co mogłoby uszkodzić podłogę i drastycznie obniżyć komfort. Zapewnia to stabilność i przewidywalność działania całego systemu grzewczego, niezależnie od panujących warunków zewnętrznych.
Zawór trójdrożny kontra czterodrożny: Kiedy które rozwiązanie wygrywa?
Często spotykam się z pytaniem, czy lepszy jest zawór trójdrożny, czy czterodrożny. Oba mają swoje zastosowania i zrozumienie różnic między nimi jest kluczowe do podjęcia właściwej decyzji projektowej i instalacyjnej.
Prostota i konkretne zadanie: kiedy zawór trójdrożny jest najlepszym wyborem?
Zawór trójdrożny to rozwiązanie, które sprawdza się doskonale w wielu sytuacjach. Jego główną zaletą jest prostota budowy i montażu, co często przekłada się na niższy koszt zakupu i instalacji. Jest to idealny wybór, gdy potrzebujemy:
- Obniżyć temperaturę czynnika grzewczego do instalacji, np. dla ogrzewania podłogowego, gdzie wymagane są niższe parametry niż te generowane przez kocioł.
- Zabezpieczyć kocioł na paliwo stałe przed korozją niskotemperaturową, podnosząc temperaturę powrotu.
- Przełączać przepływ między dwoma obiegami, np. C.O. i C.W.U.
W prostszych instalacjach grzejnikowych, gdzie głównym celem jest utrzymanie stabilnej temperatury zasilania, zawór trójdrożny jest często wystarczający i w pełni spełnia swoją rolę.
Podwójna ochrona i regulacja: w jakich instalacjach zawór czterodrożny jest niezastąpiony?
Zawór czterodrożny to bardziej zaawansowane rozwiązanie, które oferuje jednoczesną regulację temperatury zasilania instalacji i podnoszenie temperatury wody na powrocie do kotła. Dzięki temu, w jednym urządzeniu otrzymujemy podwójną funkcjonalność. Jest on szczególnie polecany w instalacjach z kotłami na paliwa stałe, zwłaszcza gdy nie posiadamy bufora ciepła. W takich układach, zawór czterodrożny efektywniej chroni kocioł przed szkodliwym wpływem niskiej temperatury powrotu, jednocześnie zapewniając odpowiednią temperaturę do grzejników. Daje to większą elastyczność i precyzję w zarządzaniu ciepłem.
Ważna uwaga: Należy jednak pamiętać, że zawór czterodrożny nie jest uniwersalnym rozwiązaniem i jego zastosowanie w niektórych systemach jest wręcz błędem. Dotyczy to przede wszystkim instalacji z pompami ciepła oraz kotłami gazowymi kondensacyjnymi. W tych źródłach ciepła, aby osiągnąć maksymalną efektywność, pożądany jest jak najzimniejszy powrót czynnika grzewczego. Zawór czterodrożny, podnosząc temperaturę powrotu, obniżałby sprawność tych urządzeń, prowadząc do większego zużycia energii. Zatem, zawsze należy dopasować typ zaworu do specyfiki źródła ciepła.
Tabela porównawcza: kluczowe różnice, które pomogą Ci podjąć decyzję
| Cecha | Zawór trójdrożny | Zawór czterodrożny |
|---|---|---|
| Główna funkcja | Regulacja temperatury zasilania instalacji (mieszanie) lub przełączanie obiegów. | Jednoczesna regulacja temperatury zasilania i podnoszenie temperatury powrotu do kotła. |
| Złożoność | Prostsza budowa i montaż. | Bardziej złożona budowa i montaż. |
| Koszt | Zazwyczaj niższy. | Zazwyczaj wyższy. |
| Idealne zastosowanie | Prostsze instalacje grzejnikowe, obniżanie temperatury dla podłogówki, przełączanie obiegów C.O./C.W.U. | Instalacje z kotłami na paliwa stałe bez bufora ciepła (ochrona kotła), gdy wymagana jest podwójna regulacja. |
| Kiedy nie stosować | Brak specyficznych przeciwwskazań. | Kotły gazowe kondensacyjne, pompy ciepła (gdzie pożądany jest zimny powrót). |

Od teorii do praktyki: jak wybrać i prawidłowo zamontować zawór trójdrożny?
Wiedza teoretyczna to jedno, ale prawdziwa wartość tkwi w umiejętności zastosowania jej w praktyce. Prawidłowy dobór i montaż zaworu trójdrożnego to fundament jego niezawodnej pracy.
Na co zwrócić uwagę przy zakupie? Kluczowe parametry (średnica, Kvs, materiał)
Wybór odpowiedniego zaworu to podstawa sukcesu. Oto kluczowe parametry, na które zawsze zwracam uwagę:
- Średnica: Musi być dopasowana do średnicy rur w Twojej instalacji. Najczęściej spotykane średnice to 1 cal, 5/4 cala, 6/4 cala. Zbyt mała średnica spowoduje dławienie przepływu, zbyt duża utrudni precyzyjną regulację. Zawsze warto skonsultować to z projektem instalacji lub doświadczonym instalatorem.
- Współczynnik Kvs: To bardzo ważny parametr, który określa maksymalny przepływ wody przez całkowicie otwarty zawór przy spadku ciśnienia 1 bar. W praktyce, im wyższy Kvs, tym większa zdolność zaworu do przepuszczenia czynnika grzewczego. Prawidłowy dobór Kvs jest kluczowy dla zapewnienia odpowiedniej wydajności i precyzji regulacji. Zbyt niski Kvs może prowadzić do niedogrzewania, zbyt wysoki do problemów z utrzymaniem stabilnej temperatury.
- Materiał: Najczęściej zawory wykonuje się z mosiądzu (dla mniejszych średnic i niższych temperatur) lub żeliwa (dla większych średnic i wyższych wymagań). Materiał ma znaczenie dla trwałości, odporności na korozję i maksymalnej temperatury pracy. Zawsze wybierajcie produkty renomowanych firm, co gwarantuje jakość wykonania.
- Producenci: Na rynku dostępne są zawory wielu sprawdzonych producentów. Z mojego doświadczenia mogę polecić takie marki jak Afriso, ESBE, Herz, Goshe. To firmy, które od lat dostarczają solidne i niezawodne rozwiązania.
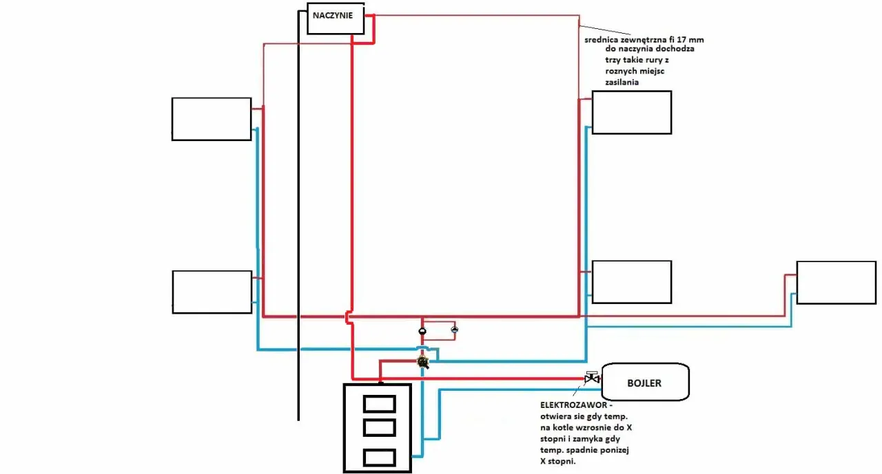
Na zasilaniu czy na powrocie? Gdzie zamontować zawór, aby spełniał swoją rolę?
Lokalizacja zaworu ma kluczowe znaczenie dla jego funkcji:
- Montaż na zasilaniu: Jeśli głównym celem jest kontrola temperatury wody idącej bezpośrednio do grzejników lub ogrzewania podłogowego, zawór powinien być zamontowany na zasilaniu. Będzie on wtedy mieszał gorącą wodę z kotła z chłodniejszą wodą z powrotu, aby uzyskać zadaną temperaturę dla odbiorników ciepła.
- Montaż na powrocie: W przypadku, gdy priorytetem jest ochrona kotła na paliwo stałe przed korozją niskotemperaturową, zawór trójdrożny umieszcza się na powrocie. Jego zadaniem jest podniesienie temperatury wody wracającej do kotła poprzez domieszanie gorącej wody z zasilania.
W wielu instalacjach, zwłaszcza tych bardziej rozbudowanych, stosuje się kilka zaworów trójdrożnych, każdy w innym miejscu i z inną funkcją.
Przed czy za pompą? Najpopularniejsze schematy podłączenia, które gwarantują sukces
To jeden z najczęstszych błędów, jakie widuję u mniej doświadczonych instalatorów. Prawidłowe umiejscowienie zaworu trójdrożnego względem pompy obiegowej jest kluczowe dla jego efektywnej pracy:
- W obiegach centralnego ogrzewania (C.O.), zawór trójdrożny najczęściej montuje się za pompą obiegową. Taki układ zapewnia stabilny przepływ przez zawór, co ułatwia precyzyjną regulację i minimalizuje ryzyko kawitacji.
- W obiegach ciepłej wody użytkowej (C.W.U.), zwłaszcza przy zastosowaniu zaworu przełączającego, często montuje się go przed pompą.
Zawsze warto kierować się schematem producenta zaworu lub kotła, a w razie wątpliwości skonsultować się z doświadczonym fachowcem. Prawidłowe podłączenie gwarantuje, że system będzie działał cicho, efektywnie i bezawaryjnie.
Mózg operacji: dlaczego warto zainwestować w siłownik do zaworu?
Siłownik to prawdziwa rewolucja w komforcie i precyzji sterowania. Choć zawór trójdrożny może być sterowany ręcznie, to siłownik elektryczny jest elementem, który automatyzuje jego pracę. Współpracuje on ze sterownikiem kotła (np. w kotłach na ekogroszek czy pellet) lub sterownikiem pogodowym, który na podstawie temperatury zewnętrznej i wewnętrznej, a także zadanych parametrów, wysyła sygnały do siłownika. Siłownik precyzyjnie obraca elementem zaworu, utrzymując zadaną temperaturę zasilania instalacji bez jakiejkolwiek ingerencji użytkownika. To standard w nowoczesnych instalacjach i nie bez powodu. Korzyści są ogromne:
- Komfort: Brak konieczności ręcznej regulacji.
- Precyzja: Znacznie dokładniejsze utrzymanie temperatury niż przy sterowaniu ręcznym.
- Oszczędność: Optymalne zarządzanie ciepłem przekłada się na niższe zużycie paliwa.
Inwestycja w siłownik szybko się zwraca, oferując komfort i spokój ducha.
Gdy coś idzie nie tak: najczęstsze problemy z zaworem trójdrożnym i jak je rozwiązać
Nawet najlepsze urządzenia mogą czasem sprawiać problemy. Zawory trójdrożne, choć zazwyczaj niezawodne, nie są wyjątkiem. Ważne jest, aby umieć rozpoznać objawy awarii i wiedzieć, jak postępować.
Zimne grzejniki mimo pracy kotła? Diagnoza problemu krok po kroku
Nikt nie lubi zimnych grzejników, zwłaszcza gdy kocioł pracuje na pełnych obrotach. Jeśli zauważasz takie objawy, jak:
- Nierównomierne grzanie grzejników: Jedne są gorące, inne ledwo ciepłe lub zimne.
- Wahania temperatury C.W.U.: Ciepła woda raz jest gorąca, raz ledwo letnia.
- Przegrzewanie się kotła: Kocioł osiąga zbyt wysoką temperaturę, mimo że instalacja nie jest w pełni zasilana.
- Brak reakcji na regulację: Kręcisz pokrętłem lub siłownik pracuje, ale temperatura się nie zmienia.
Może to wskazywać na problem z zaworem trójdrożnym. Wstępna diagnoza powinna obejmować sprawdzenie, czy zawór fizycznie się obraca (jeśli jest siłownik, czy się porusza), czy nie ma widocznych wycieków i czy nie słychać niepokojących dźwięków.
Zawór się zablokował lub "zawiesił" co robić?
Zanieczyszczenia to wróg numer jeden każdego elementu instalacji. Woda grzewcza, nawet po uzdatnieniu, może zawierać drobinki rdzy, kamienia czy osadów, które z czasem mogą zablokować element obrotowy zaworu. Objawia się to zazwyczaj tym, że zawór nie reaguje na zmiany położenia lub reaguje z opóźnieniem. W takiej sytuacji, jeśli zawór jest rozbieralny, często pomaga jego dokładne wyczyszczenie. Należy odciąć dopływ wody do zaworu, zdemontować go i oczyścić z osadów, zwłaszcza element obrotowy i jego gniazdo. Jeśli to nie pomoże lub zawór jest uszkodzony mechanicznie (np. pęknięty korpus, zużyte uszczelki powodujące przecieki), konieczna będzie jego wymiana.
Nietypowe hałasy z instalacji: czy to wina zaworu?
Dziwne dźwięki zawsze powinny wzbudzać naszą czujność. Stuki, buczenie, szumy czy gwizdy w instalacji mogą być spowodowane przez wiele czynników, ale nieprawidłowo działający zawór trójdrożny jest jedną z możliwych przyczyn. Hałasy mogą pojawić się, gdy element obrotowy jest luźny, zużyty lub gdy zawór jest niewłaściwie dobrany do przepływu (np. zbyt mały Kvs, co powoduje dławienie i kawitację). Warto wtedy sprawdzić, czy hałasy ustępują, gdy zmieniamy położenie zaworu lub gdy siłownik się porusza. Jeśli tak, to prawdopodobnie zawór jest źródłem problemu i wymaga interwencji czyszczenia, regulacji lub wymiany.
Przeczytaj również: Jak zabudować rury gazowe pod piecem? Przepisy i porady eksperta
Jak sprawdzić, czy siłownik działa poprawnie?
Siłownik to element, który pracuje non-stop, dlatego jego awaria nie jest niczym nadzwyczajnym. Aby sprawdzić, czy działa poprawnie:
- Obserwuj ruch: Zmień zadaną temperaturę na sterowniku i obserwuj, czy siłownik reaguje, obracając trzpień zaworu. Ruch powinien być płynny i bez zacięć.
- Posłuchaj: Prawidłowo działający siłownik powinien pracować cicho. Jeśli słyszysz głośne buczenie, zgrzyty lub stuki, może to oznaczać zużycie mechanizmu wewnętrznego.
- Sprawdź temperaturę: Czy temperatura na zasilaniu instalacji zmienia się zgodnie z poleceniami sterownika i ruchem siłownika? Jeśli siłownik się porusza, ale temperatura pozostaje taka sama, problem może leżeć w samym zaworze (zablokowany) lub w jego niewłaściwym montażu.
W przypadku awarii siłownika, zazwyczaj konieczna jest jego wymiana na nowy. To element, którego naprawa jest nieopłacalna lub niemożliwa.
Podsumowanie: Czy inwestycja w zawór trójdrożny zawsze się opłaca?
Patrząc na wszystkie aspekty, które omówiliśmy, odpowiedź na pytanie, czy inwestycja w zawór trójdrożny zawsze się opłaca, jest jednoznaczna: tak, w zdecydowanej większości przypadków jest to inwestycja wysoce opłacalna. Kluczowe korzyści, takie jak ochrona kotła przed korozją niskotemperaturową (szczególnie w przypadku kotłów na paliwa stałe), zwiększona efektywność energetyczna i wynikające z niej oszczędności na opale, a także znacząca poprawa komfortu cieplnego w całym domu, przewyższają początkowy koszt zakupu i montażu. Nawet jeśli sam zawór (np. 1-calowy) to wydatek rzędu 100-150 zł, a zestaw z siłownikiem to 250-400 zł lub więcej, to potencjalne koszty naprawy lub wymiany uszkodzonego kotła (liczone w tysiącach złotych) oraz straty wynikające z nieefektywnego spalania i dyskomfortu są znacznie wyższe. Zawór trójdrożny to element, który dba o długowieczność Twojej instalacji, optymalizuje jej pracę i zapewnia spokój ducha. To mały element, który ma ogromny wpływ na całe Twoje ogrzewanie.
