W artykule dowiesz się, dlaczego w otwartym układzie centralnego ogrzewania z kotłem na paliwo stałe kluczowe jest inne zabezpieczenie niż myślisz, a mianowicie termiczny zawór schładzający, który chroni przed niebezpiecznym przegrzaniem, a nie ciśnieniem. Poznasz jego działanie, zasady doboru i montażu, co pozwoli Ci zapewnić bezpieczeństwo Twojej instalacji.
W otwartym układzie CO z kotłem na paliwo stałe kluczowe jest zabezpieczenie przed przegrzaniem, a nie ciśnieniem.
- W układzie otwartym naczynie wzbiorcze eliminuje ryzyko nadmiernego wzrostu ciśnienia.
- Standardowy, ciśnieniowy zawór bezpieczeństwa nie jest obligatoryjny w otwartym układzie.
- Główne zagrożenie dla kotłów na paliwo stałe to przegrzanie i zagotowanie wody.
- Termiczny zawór bezpieczeństwa (schładzający) chroni kocioł przed zagotowaniem wody powyżej 97°C.
- Zawór schładzający wpuszcza zimną wodę z sieci i odprowadza gorącą, obniżając temperaturę kotła.
- Prawidłowy dobór i montaż, zgodny z normami, jest kluczowy i powinien być wykonany przez uprawnionego instalatora.
Układ otwarty C. O. dlaczego jego zabezpieczenie jest inne niż myślisz?
W instalacji centralnego ogrzewania w układzie otwartym, podstawowym elementem zabezpieczającym przed nadmiernym wzrostem ciśnienia jest otwarte naczynie wzbiorcze. Jest ono montowane w najwyższym punkcie instalacji i dzięki stałemu połączeniu z atmosferą, nadmiar wody powstały w wyniku wzrostu temperatury może swobodnie się przelać. To kluczowe rozwiązanie, które eliminuje ryzyko niekontrolowanego wzrostu ciśnienia w systemie, stanowiąc fundament bezpieczeństwa w tego typu instalacjach.
Rola naczynia wzbiorczego: Twój pierwszy i najważniejszy strażnik ciśnienia
Naczynie wzbiorcze w układzie otwartym pełni funkcję niezawodnego zabezpieczenia ciśnieniowego. Jego otwarta konstrukcja gwarantuje, że ciśnienie w układzie nigdy nie przekroczy ciśnienia atmosferycznego. W praktyce oznacza to, że woda, zwiększając swoją objętość pod wpływem temperatury, ma gdzie się rozprężyć, a jej nadmiar po prostu przelewa się do kanalizacji przez rurę przelewową. To proste, a zarazem niezwykle skuteczne rozwiązanie, które jest podstawą bezpieczeństwa w układach otwartych.
Czy klasyczny, czerwony zawór bezpieczeństwa jest tu w ogóle potrzebny?
Z uwagi na to, że funkcja naczynia wzbiorczego doskonale radzi sobie z kontrolą ciśnienia, w klasycznym, grawitacyjnym układzie otwartym montaż standardowego, ciśnieniowego zaworu bezpieczeństwa (np. o zakresie 1,5-3 bar) nie jest obligatoryjny. Jego funkcja jest już przejęta przez naczynie wzbiorcze. Montowanie dodatkowego zaworu ciśnieniowego w tym kontekście jest zbędne, a co więcej, może być mylące i sugerować, że chroni on przed zagrożeniem, które w rzeczywistości jest już zaadresowane przez inny element instalacji.
Prawdziwe zagrożenie w układzie otwartym: nie ciśnienie, a temperatura
Mimo braku zagrożenia ciśnieniowego, w układach otwartych z kotłami na paliwo stałe istnieje inne, znacznie poważniejsze ryzyko przegrzanie. To właśnie temperatura, a nie ciśnienie, jest głównym problemem, który wymaga szczególnej uwagi i odpowiedniego zabezpieczenia w tych instalacjach.
Dlaczego kocioł na paliwo stałe może się przegrzać nawet w otwartej instalacji?
Nowoczesne kotły na paliwa stałe, zwłaszcza te z podajnikiem lub o większej mocy, mają zdolność do gwałtownego i niekontrolowanego podniesienia temperatury wody w płaszczu wodnym. Nawet otwarte naczynie wzbiorcze nie jest w stanie zapobiec zagotowaniu wody w kotle, jeśli proces spalania jest zbyt intensywny, a odbiór ciepła niewystarczający. Wyobraźmy sobie sytuacje takie jak: brak prądu i zatrzymanie pomp obiegowych, co uniemożliwia cyrkulację wody i odbiór ciepła; zbyt duża ilość paliwa w kotle, które intensywnie się spala; czy nawet awaria regulatora ciągu. W takich okolicznościach temperatura wody może błyskawicznie wzrosnąć do punktu wrzenia, prowadząc do bardzo niebezpiecznych zdarzeń.
Skutki zagotowania wody w kotle co ryzykujesz, ignorując problem?
Potencjalne konsekwencje zagotowania wody w kotle są bardzo poważne i mogą być katastrofalne. Ryzykujesz nie tylko uszkodzenie samego kotła i całej instalacji, ale, co najważniejsze, stwarzasz bezpośrednie zagrożenie dla zdrowia i życia osób przebywających w pobliżu. Gwałtowne parowanie wody w zamkniętej przestrzeni kotła prowadzi do niekontrolowanego wzrostu objętości i ciśnienia. W skrajnych przypadkach może to skutkować eksplozją kotła, wyrzuceniem gorącej wody i pary, co może spowodować poważne poparzenia, a nawet śmierć. To nie jest scenariusz z filmu to realne ryzyko, którego absolutnie nie wolno ignorować.
Termiczny zawór schładzający właściwa odpowiedź na Twoje pytanie
W obliczu zagrożenia przegrzaniem, termiczny zawór bezpieczeństwa jawi się jako niezastąpione rozwiązanie. Jest to kluczowy element zabezpieczający, którego zadaniem jest ochrona kotła przed zagotowaniem wody i wszystkimi wynikającymi z tego konsekwencjami.
Czym jest i jak działa zawór termostatyczny (np. STS, BVTS)?
Termostatyczny zawór bezpieczeństwa, znany również jako zawór schładzający (np. typu STS 20, BVTS), nie jest typowym zaworem ciśnieniowym, z jakim często spotykamy się w instalacjach zamkniętych. Jego celem jest ochrona kotła przed przegrzaniem powyżej krytycznej temperatury, zazwyczaj 95-97°C. Działa on na zasadzie detekcji temperatury, a nie ciśnienia. Kiedy temperatura wody w kotle osiągnie niebezpieczny poziom, zawór automatycznie reaguje, wprowadzając do systemu zimną wodę i odprowadzając gorącą, co skutecznie obniża temperaturę.
Krok po kroku: co się dzieje, gdy temperatura przekracza 95°C?
Mechanizm działania zaworu schładzającego w momencie zagrożenia jest precyzyjny i skuteczny:
- Czujnik zaworu wykrywa przekroczenie krytycznej temperatury (np. 97°C) w kotle.
- Zawór automatycznie otwiera się.
- Do układu zaczyna napływać zimna woda z sieci wodociągowej, bezpośrednio do płaszcza wodnego kotła.
- Jednocześnie nadmiar gorącej wody z kotła jest odprowadzany do kanalizacji, najczęściej przez rurę przelewową naczynia wzbiorczego.
- Proces ten trwa do momentu obniżenia temperatury w kotle do bezpiecznego poziomu, skutecznie zapobiegając zagotowaniu.
Kiedy montaż zaworu schładzającego jest absolutnie obowiązkowy?
Stosowanie termicznego zaworu schładzającego jest zalecane, a w niektórych przypadkach wręcz obowiązkowe, dla kotłów na paliwo stałe. Jego montaż jest niezbędny dla kotłów o większej mocy, kotłów z podajnikiem, a także zgodnie z lokalnymi przepisami i normami budowlanymi, takimi jak PN-EN 12828. To wymóg bezpieczeństwa, który nie podlega negocjacjom, mający na celu ochronę zarówno instalacji, jak i użytkowników.
Jak wybrać idealny zawór schładzający do Twojego pieca?
Wybór odpowiedniego zaworu termicznego to klucz do skutecznego zabezpieczenia instalacji. Skupmy się na praktycznych aspektach, które pomogą Ci podjąć świadomą decyzję.
Kluczowe parametry: temperatura aktywacji i średnica przyłącza
Przy wyborze zaworu schładzającego należy zwrócić uwagę na kilka istotnych parametrów:
- Temperatura zadziałania: Zazwyczaj jest to 97°C. Ta temperatura jest standardowa i optymalna, ponieważ zapewnia reakcję zaworu zanim woda osiągnie punkt wrzenia, co pozwala na skuteczne schłodzenie kotła.
- Średnica przyłącza i długość kapilary: Muszą być dopasowane do króćca w kotle. Nowoczesne kotły często mają dedykowane miejsce do montażu czujnika, co znacznie ułatwia dobór i instalację.
- Moc kotła: Choć nie jest to bezpośredni parametr zaworu, jest to istotny czynnik, który wpływa na wymaganą wydajność zaworu. Im większa moc kotła, tym większa powinna być zdolność zaworu do odprowadzania ciepła.
Modele z podwójnym czujnikiem czy warto zainwestować w dodatkowe bezpieczeństwo?
Niektóre modele zaworów schładzających, takie jak popularny STS 20, posiadają dwa niezależne czujniki temperatury. Takie podwójne zabezpieczenie znacząco zwiększa niezawodność działania zaworu, oferując dodatkową warstwę bezpieczeństwa w przypadku awarii jednego z czujników. Moim zdaniem, dla maksymalnego spokoju ducha i pewności działania, warto rozważyć taką opcję, szczególnie w przypadku kotłów o dużej mocy lub tam, gdzie konsekwencje awarii byłyby szczególnie dotkliwe.
Przegląd popularnych i polecanych producentów na polskim rynku
Na polskim rynku dostępnych jest wielu cenionych producentów termicznych zaworów bezpieczeństwa, którzy są znani z jakości i niezawodności swoich produktów. Do najbardziej polecanych marek należą między innymi: Afriso, Danfoss, Honeywell oraz Caleffi. Wybierając produkt od jednego z tych producentów, możesz mieć pewność, że inwestujesz w sprawdzone i bezpieczne rozwiązanie.
Montaż zaworu termicznego: najważniejsze zasady, których nie wolno zlekceważyć
Pamiętaj, że prawidłowy montaż zaworu termicznego jest równie ważny, jak jego dobór. Nawet najlepszy zawór nie spełni swojej funkcji, jeśli zostanie zainstalowany niezgodnie ze sztuką. Poniżej przedstawiam kluczowe wskazówki, aby zapewnić jego skuteczność.
Gdzie dokładnie umieścić czujnik temperatury, aby zadziałał poprawnie?
Czujnik temperatury musi być zanurzony bezpośrednio w wodzie kotłowej (płaszczu wodnym) lub umieszczony na rurze zasilającej jak najbliżej kotła. Jego umiejscowienie jest krytyczne dla szybkiej i precyzyjnej reakcji na wzrost temperatury. Nieprawidłowe umiejscowienie, na przykład zbyt daleko od kotła lub w miejscu, gdzie woda nie krąży intensywnie, może opóźnić reakcję zaworu, czyniąc go nieskutecznym w momencie zagrożenia.
Najczęstsze błędy instalacyjne, które czynią zawór bezużytecznym
Niestety, podczas montażu zdarzają się błędy, które mogą zniweczyć działanie zaworu schładzającego:
- Instalowanie zaworów odcinających: Jest absolutnie zabronione instalowanie jakichkolwiek zaworów odcinających pomiędzy kotłem a zabezpieczeniami (w tym zaworem termicznym). Takie zawory mogą uniemożliwić przepływ wody w krytycznym momencie.
- Nieprawidłowe umiejscowienie czujnika: Ponownie zwracam uwagę na konieczność bezpośredniego kontaktu czujnika z wodą kotłową lub umieszczenia go w dedykowanym króćcu w kotle.
- Brak odpowiedniego odpływu: Brak drożnego i prawidłowo podłączonego odpływu do kanalizacji uniemożliwi usunięcie gorącej wody z systemu.
- Zbyt mała średnica rur: Użycie rur o zbyt małej średnicy do podłączenia zaworu może ograniczyć przepływ wody, zmniejszając jego skuteczność.
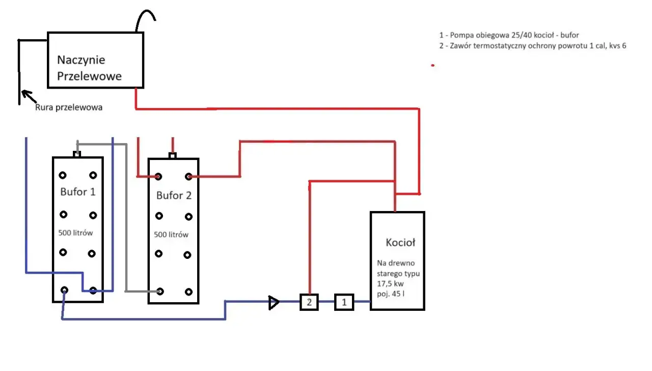
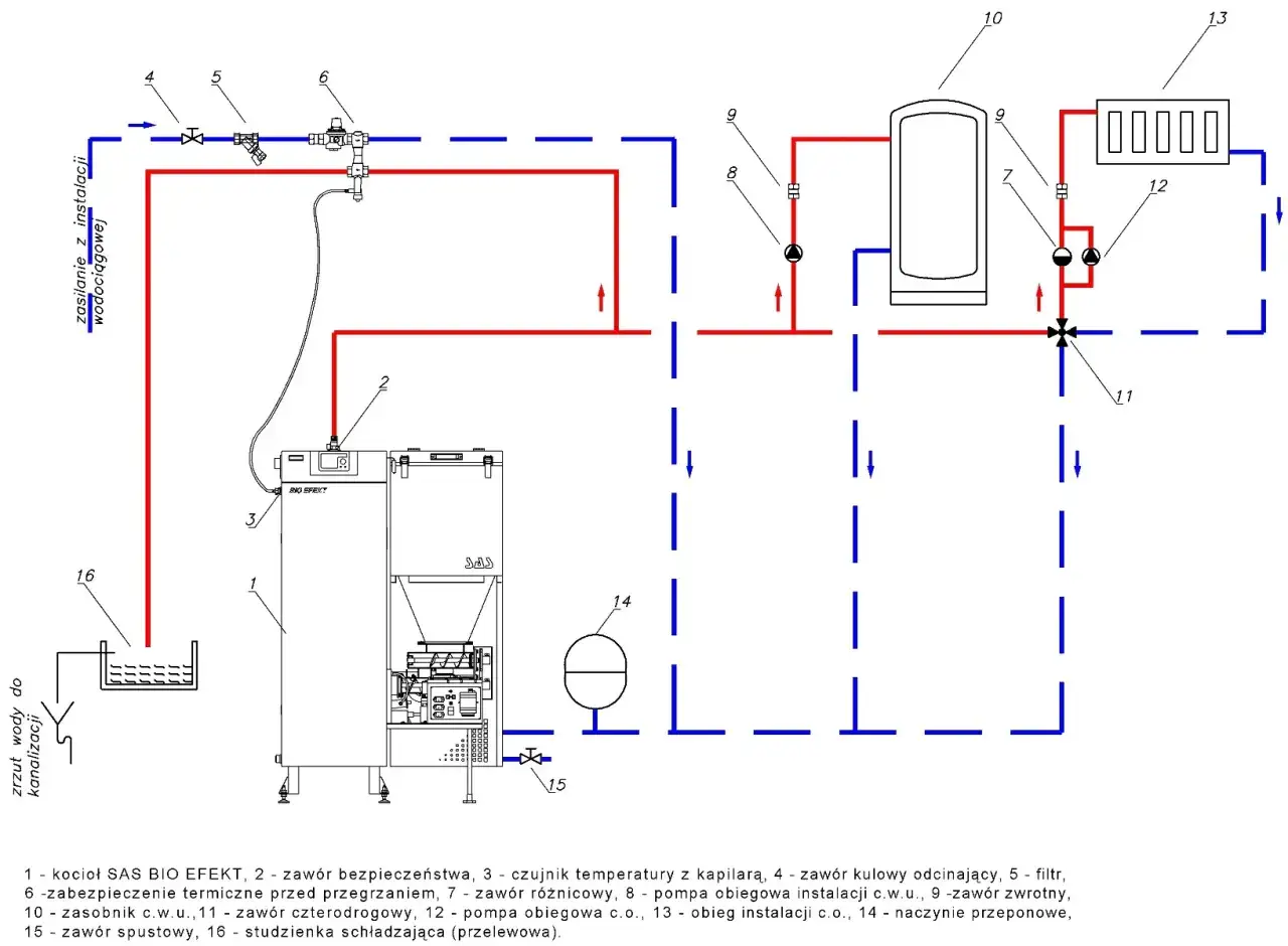
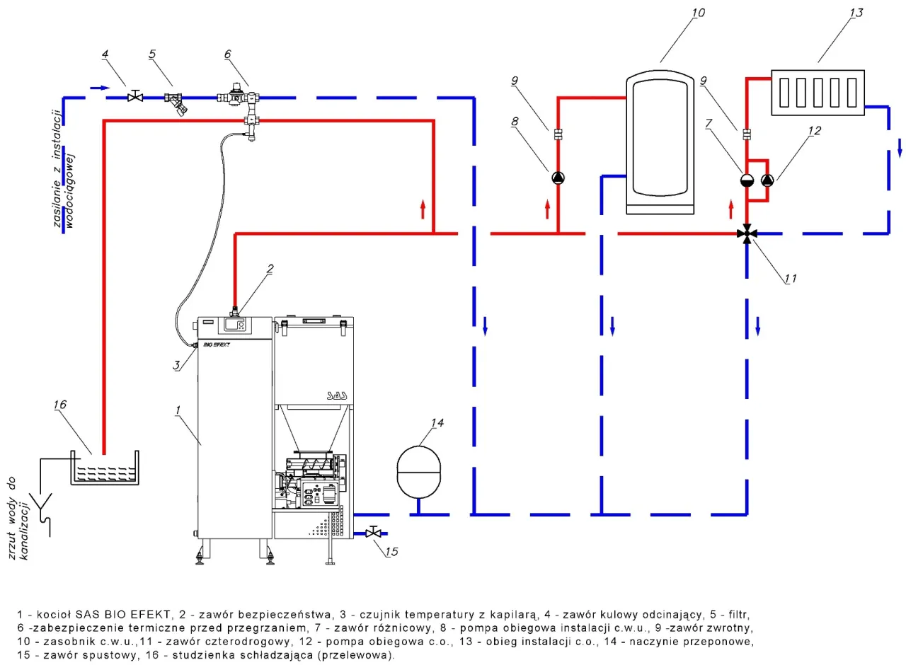
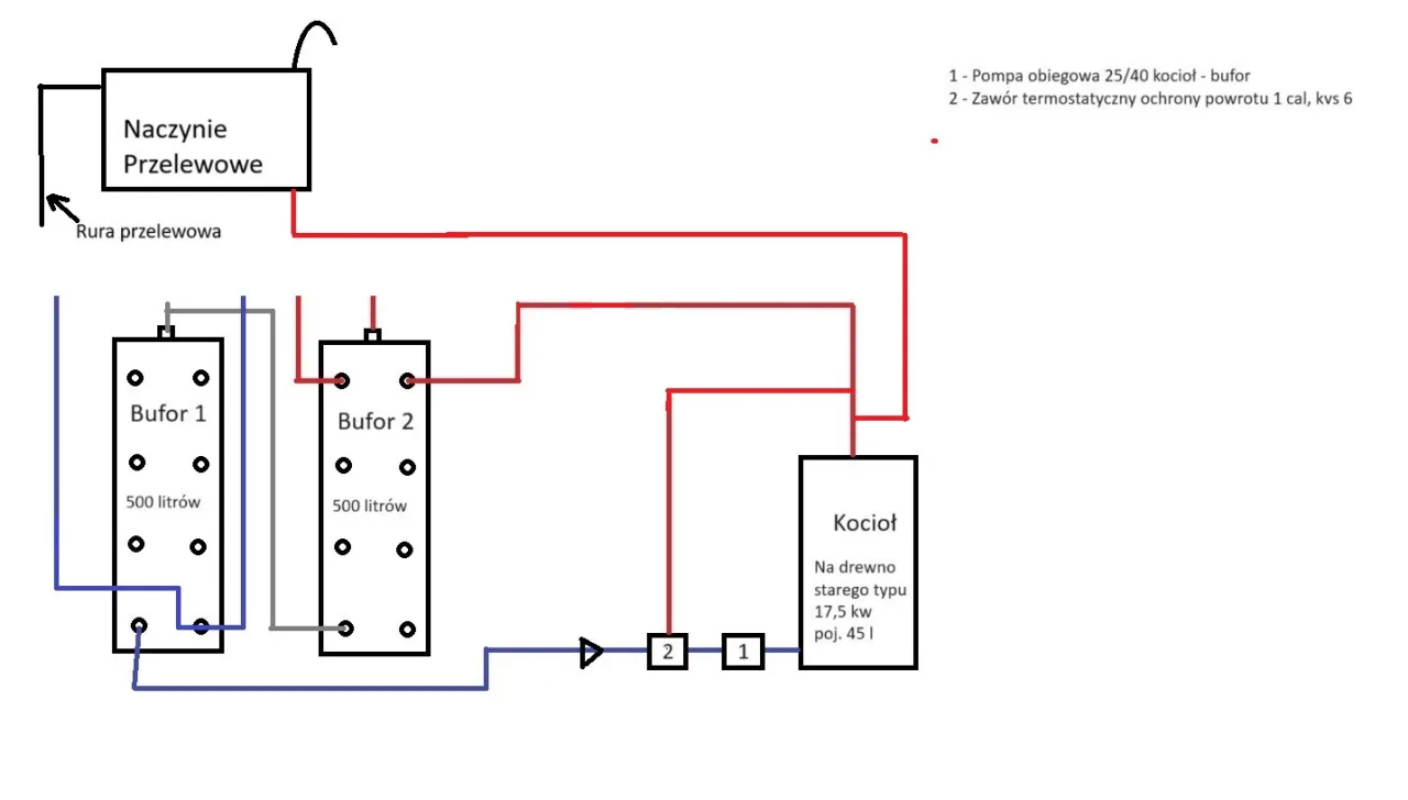
Podłączenie do sieci wodociągowej i odpływu schemat poprawnej instalacji
Prawidłowe podłączenie zaworu termicznego jest stosunkowo proste, ale wymaga precyzji. Zawór jest podłączony do króćca w kotle. Z jednej strony doprowadzamy do niego zimną wodę z sieci wodociągowej (zazwyczaj przez zawór kulowy i filtr siatkowy), z drugiej strony wyprowadzamy rurę odprowadzającą gorącą wodę. Ta rura często łączy się z rurą przelewową naczynia wzbiorczego, a następnie prowadzi do kanalizacji. Wszystkie połączenia muszą być szczelne i wykonane zgodnie ze sztuką instalatorską, aby zapewnić niezawodne działanie systemu.
Podsumowanie: Zabezpiecz swój kocioł mądrze klucz to ochrona przed przegrzaniem
Podsumowując, bezpieczeństwo Twojej instalacji centralnego ogrzewania z kotłem na paliwo stałe w układzie otwartym opiera się na zrozumieniu specyfiki zagrożeń. Nie ciśnienie, a temperatura jest Twoim głównym przeciwnikiem.
Przeczytaj również: Podłącz pompę do deszczówki: Krok po kroku do darmowej wody
Naczynie wzbiorcze + zawór termiczny: duet dla pełnego bezpieczeństwa Twojej kotłowni
Pełne bezpieczeństwo kotłowni z kotłem na paliwo stałe w układzie otwartym zapewniają dwa kluczowe elementy: otwarte naczynie wzbiorcze (chroniące przed ciśnieniem) oraz termiczny zawór schładzający (chroniący przed przegrzaniem). Te dwa elementy działają komplementarnie, eliminując główne zagrożenia i gwarantując spokój ducha. Na koniec, chciałbym przypomnieć, że dobór i instalację zabezpieczeń w instalacji centralnego ogrzewania powinien zawsze przeprowadzać instalator z odpowiednimi uprawnieniami, zgodnie z obowiązującymi normami (np. PN-EN 12828), aby zagwarantować maksymalne bezpieczeństwo i zgodność z przepisami. Nie ma miejsca na kompromisy, gdy w grę wchodzi bezpieczeństwo Twojego domu i bliskich.
