Prawidłowa głębokość montażu zbiornika na deszczówkę w Polsce zależy od strefy przemarzania i warunków gruntowych.
- Minimalna warstwa gruntu nad zbiornikiem to około 80 cm, chroniąca przed mrozem i uszkodzeniami.
- Polska podzielona jest na cztery strefy przemarzania gruntu, od 0,8 m (zachód) do 1,4 m (Suwalszczyzna).
- Wysoki poziom wód gruntowych wymaga specjalnych rozwiązań, takich jak płyty dociążające lub kotwienie, aby zapobiec wypchnięciu zbiornika.
- Rodzaj gruntu (piasek vs. glina) wpływa na stabilność i konieczność drenażu wokół zbiornika.
- Rury doprowadzające wodę muszą być ułożone poniżej strefy przemarzania, ze spadkiem 1-2 cm na metr.
- Dla obszarów z ruchem kołowym należy stosować zbiorniki wzmocnione i płyty odciążające.

Dlaczego prawidłowa głębokość montażu to klucz do wieloletniej trwałości zbiornika?
Prawidłowa głębokość montażu podziemnego zbiornika na deszczówkę to absolutna podstawa, decydująca o jego długowieczności, niezawodności i bezpieczeństwie. Często obserwuję, że inwestorzy skupiają się na wyborze samego zbiornika, zapominając, że nawet najlepszy produkt nie spełni swojej funkcji, jeśli nie zostanie odpowiednio posadowiony. To właśnie głębokość i sposób osadzenia zbiornika stanowią fundament całej instalacji, chroniąc ją przed siłami natury i zapewniając efektywne działanie przez lata.
Ochrona przed mrozem niewidzialny wróg Twojej instalacji
Zamarzanie wody to jedno z największych zagrożeń dla podziemnych instalacji. Jak doskonale wiemy, woda zwiększa swoją objętość, gdy zamienia się w lód. W przypadku zbiornika lub rur, które nie są odpowiednio zabezpieczone przed mrozem, może to prowadzić do ogromnych naprężeń wewnętrznych, a w konsekwencji do pęknięć, deformacji, a nawet całkowitego zniszczenia elementów systemu. W mojej praktyce widziałem już niejednokrotnie, jak lekceważenie tego aspektu kończyło się kosztownymi naprawami. Dlatego tak kluczowe jest, aby górna powierzchnia zbiornika znajdowała się poniżej lokalnej głębokości przemarzania gruntu. Dodatkowo, minimalna warstwa gruntu nad zbiornikiem, wynosząca około 80 cm, działa jak naturalna izolacja termiczna, skutecznie chroniąc przed niskimi temperaturami i uszkodzeniami mechanicznymi.
Stabilność konstrukcji jak uniknąć uszkodzeń pod naporem gruntu?
Zbiornik podziemny musi wytrzymać nie tylko ciężar zgromadzonej wody, ale przede wszystkim ogromny nacisk otaczającego go gruntu. Niewłaściwe posadowienie, zbyt płytkie lub na niestabilnym podłożu, może skutkować osiadaniem, przemieszczaniem się, a nawet deformacją konstrukcji zbiornika pod wpływem parcia ziemi. Odpowiednia głębokość i staranne przygotowanie dna wykopu oraz obsypki zapewniają równomierne rozłożenie obciążeń i stabilne zakotwiczenie zbiornika w gruncie. To gwarantuje, że zbiornik pozostanie nienaruszony, nawet pod wpływem zmieniających się warunków gruntowych czy obciążeń zewnętrznych.
Gwarancja bezawaryjnej pracy zapewnienie swobodnego dopływu i odpływu wody
Efektywność systemu zbierania deszczówki w dużej mierze zależy od swobodnego przepływu wody. Prawidłowa głębokość montażu zbiornika jest niezbędna do zapewnienia odpowiedniego spadku dla rur doprowadzających i odprowadzających wodę. Bez właściwego spadku (zazwyczaj 1-2 cm na metr bieżący), woda może zalegać w rurach, prowadząc do tworzenia się zatorów, gromadzenia osadów, a zimą do zamarzania. To z kolei może uniemożliwić dopływ deszczówki do zbiornika lub jej pobór. Precyzyjne zaplanowanie głębokości pozwala na grawitacyjny przepływ, co jest najprostszym i najbardziej bezawaryjnym sposobem działania instalacji.

Strefy przemarzania gruntu w Polsce co musisz wiedzieć, zanim chwycisz za łopatę?
Zanim wbijesz pierwszą łopatę w ziemię, musisz zrozumieć kluczowy czynnik, jakim są strefy przemarzania gruntu w Polsce. To właśnie one w dużej mierze determinują minimalną głębokość, na jakiej powinny być posadowione fundamenty, rury wodociągowe, kanalizacyjne, a także, co najważniejsze dla nas, podziemne zbiorniki na deszczówkę. Ignorowanie tych danych to proszenie się o kłopoty.Mapa stref przemarzania znajdź swój region i jego wymagania
Chociaż w budownictwie coraz częściej odwołujemy się do Eurokodów, w kontekście głębokości przemarzania gruntu w Polsce nadal głównym punktem odniesienia jest Polska Norma PN-81/B-03020. Dzieli ona nasz kraj na cztery strefy, z których każda ma określoną minimalną głębokość, do jakiej grunt może zamarznąć. Znajomość strefy, w której znajduje się Twoja działka, jest pierwszym i najważniejszym krokiem do prawidłowego zaplanowania głębokości montażu zbiornika. To jak odczytanie mapy drogowej przed wyruszeniem w podróż bez niej łatwo się zgubić.
Strefa I (0,8 m) gdzie montaż jest najpłytszy?
Strefa I obejmuje zachodnią część Polski. Charakteryzuje się ona najmniejszą głębokością przemarzania gruntu, wynoszącą 0,8 metra. Jeśli Twoja nieruchomość znajduje się w regionach takich jak okolice Wrocławia, Poznania czy Szczecina, możesz liczyć na nieco płytszy wykop. To oczywiście ułatwia prace ziemne, ale pamiętaj, że nadal musisz zachować ostrożność i uwzględnić pozostałe czynniki.
Strefa II (1,0 m) standard dla centralnej Polski
Większość centralnej i północnej Polski, w tym takie miasta jak Warszawa, Gdańsk czy Kraków, leży w Strefie II. Tutaj minimalna głębokość przemarzania wynosi już 1,0 metra. Jest to najczęściej spotykana strefa, a jej wymagania stanowią pewien standard, który często przyjmuje się jako punkt wyjścia przy planowaniu wielu instalacji podziemnych. Pamiętaj, że to minimum lokalne warunki mogą wymagać większej głębokości.
Strefa III i IV (1,2 m 1,4 m) kiedy trzeba kopać najgłębiej?
Im dalej na wschód i północny wschód, tym zimniej i tym głębiej sięga mróz. Strefa III obejmuje wschodnią Polskę, z miastami takimi jak Lublin czy Białystok, gdzie głębokość przemarzania wynosi 1,2 metra. Najbardziej wymagająca jest Strefa IV, obejmująca północno-wschodnią Polskę, a w szczególności Suwalszczyznę, gdzie grunt może przemarznąć nawet na głębokość 1,4 metra. W tych regionach precyzja i zachowanie odpowiedniej głębokości są absolutnie krytyczne, aby uniknąć problemów z zamarzaniem.
Jak odczytać mapę i dostosować głębokość do swojej lokalizacji?
Aby precyzyjnie określić strefę przemarzania dla swojej działki, najlepiej jest skorzystać z ogólnodostępnych map stref przemarzania gruntu w Polsce, które opierają się na wspomnianej normie PN-81/B-03020. Warto również sprawdzić lokalne plany zagospodarowania przestrzennego lub skonsultować się z urzędem gminy czy starostwem, gdyż czasem mogą obowiązywać lokalne wytyczne. Zawsze zalecam, aby przyjąć pewien margines bezpieczeństwa jeśli znajdujesz się na granicy dwóch stref, wybierz większą głębokość. W razie wątpliwości, konsultacja z doświadczonym projektantem lub instalatorem to najlepsza inwestycja.
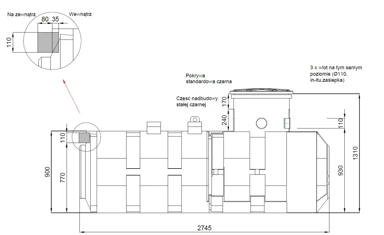
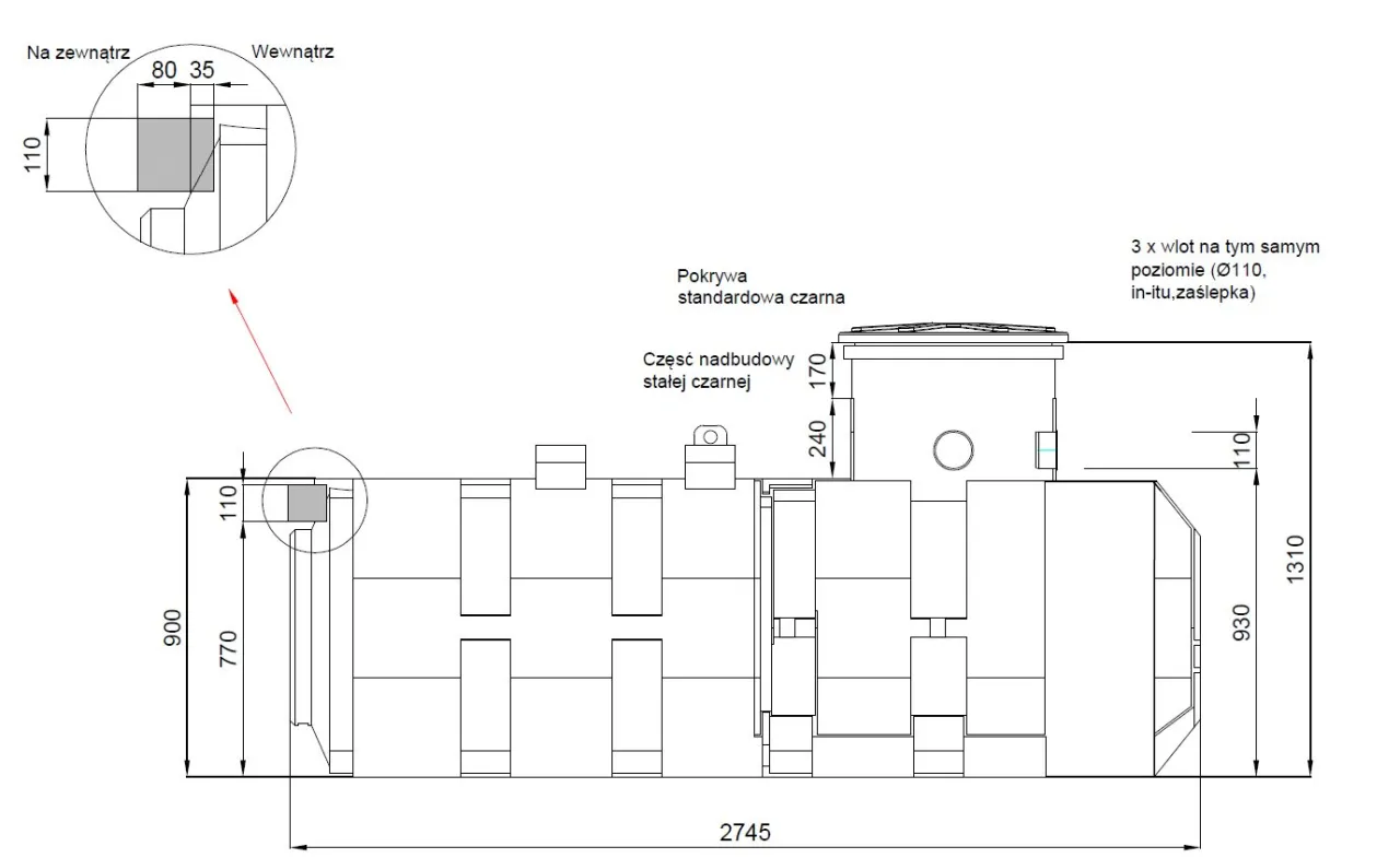
Pamiętaj: Górna powierzchnia zbiornika powinna znajdować się poniżej lokalnej głębokości przemarzania gruntu, a minimalna warstwa gruntu nad zbiornikiem to ok. 80 cm, co ma chronić przed mrozem i uszkodzeniami mechanicznymi.
Głębokość to nie wszystko 4 kluczowe czynniki, które musisz wziąć pod uwagę
Chociaż głębokość przemarzania gruntu jest fundamentalna, to moje doświadczenie podpowiada, że sukces montażu zbiornika na deszczówkę zależy od uwzględnienia znacznie szerszego spektrum czynników. Nie wystarczy po prostu "kopać głęboko". Musimy spojrzeć na całość, aby instalacja była nie tylko bezpieczna, ale i efektywna. Poniżej przedstawiam cztery kluczowe aspekty, które zawsze analizuję przed przystąpieniem do prac.
Rodzaj gruntu na działce: piasek kontra glina co to zmienia?
Rodzaj gruntu, na którym ma być posadowiony zbiornik, ma ogromne znaczenie dla sposobu montażu i jego stabilności. To jeden z pierwszych elementów, które zawsze sprawdzam.
- Grunty przepuszczalne (piaski, żwiry): W przypadku gruntów piaszczystych lub żwirowych montaż jest zazwyczaj prostszy. Grunt ten jest stabilny, dobrze odprowadza wodę, a zbiornik może być umieszczony nieco płycej, oczywiście z zachowaniem minimalnej warstwy ochronnej. Nie ma tu tak dużego ryzyka gromadzenia się wody wokół zbiornika, co ułatwia obsypkę.
- Grunty nieprzepuszczalne (gliny, iły): To znacznie trudniejsze warunki. Grunty gliniaste i ilaste są mało przepuszczalne, co oznacza, że woda opadowa lub gruntowa może gromadzić się wokół zbiornika, wywierając na niego dodatkowe ciśnienie hydrostatyczne. Wymagają one głębszego wykopu, aby zapewnić odpowiednią warstwę drenażową. Konieczne jest też staranne przygotowanie podłoża często stosuje się podsypkę z piasku stabilizowanego cementem, a także wykonanie drenażu opaskowego wokół zbiornika, aby skutecznie odprowadzić wodę. Ignorowanie tego może prowadzić do wypchnięcia zbiornika lub jego uszkodzenia.
Wysoki poziom wód gruntowych: jak uniknąć "wypłynięcia" zbiornika na powierzchnię?
To jest moim zdaniem krytyczny czynnik, który często bywa niedoceniany. Jeśli poziom wód gruntowych jest wysoki, pusty lub częściowo opróżniony zbiornik może zostać wypchnięty na powierzchnię przez siłę wyporu, działającą na zasadzie Archimedesa. Widziałem już takie przypadki, a ich konsekwencje są katastrofalne. Aby temu zapobiec, stosuje się kilka rozwiązań:
- Płaskie modele zbiorników: Ich konstrukcja sprawia, że mają mniejszą tendencję do wypierania.
- Płyta dociążająca: Zbiornik jest kotwiony do specjalnie przygotowanej, ciężkiej płyty betonowej, która zapobiega jego uniesieniu.
- Kotwienie do fundamentu: W niektórych przypadkach zbiornik można zakotwić do istniejących elementów konstrukcyjnych lub specjalnie wykonanych fundamentów.
W warunkach wysokich wód gruntowych montaż musi być wykonany ze szczególną starannością i pod nadzorem, a wykop często wymaga ciągłego odwadniania.
Obciążenie ruchem kołowym: czy nad zbiornikiem można parkować samochód?
Jeśli planujesz umieścić zbiornik pod podjazdem, parkingiem lub innym obszarem, gdzie będzie występował ruch kołowy, musisz zastosować specjalne rozwiązania. Standardowe zbiorniki nie są przystosowane do takich obciążeń. Wymagane jest zastosowanie zbiorników o wzmocnionej konstrukcji, które są odporne na nacisk. Dodatkowo, należy zastosować specjalne płyty odciążające lub pokrywy najazdowe, które rozłożą ciężar pojazdów na większą powierzchnię, chroniąc zbiornik przed uszkodzeniem. Zawsze należy ściśle przestrzegać instrukcji producenta dotyczących montażu w takich warunkach, ponieważ każdy zbiornik ma swoje limity obciążenia.
Głębokość ułożenia rur doprowadzających dlaczego spadek ma znaczenie?
Nie tylko sam zbiornik, ale również rury doprowadzające wodę do niego muszą być odpowiednio zabezpieczone. Rury te muszą być ułożone ze spadkiem (zalecane 1-2 cm na metr bieżący), aby zapewnić grawitacyjny przepływ wody i zapobiec jej zaleganiu. Co więcej, muszą one znajdować się poniżej strefy przemarzania gruntu, podobnie jak zbiornik. Zapobiega to tworzeniu się zatorów lodowych, które mogłyby całkowicie zablokować dopływ deszczówki. Typowe głębokości ułożenia rur to 50-100 cm, ale zawsze należy odnieść się do lokalnej strefy przemarzania i zachować odpowiedni margines bezpieczeństwa.
Jak poprawnie przygotować wykop pod zbiornik? Instrukcja krok po kroku
Przygotowanie wykopu to etap, który wymaga precyzji i staranności. To nie jest po prostu "dziura w ziemi". Każdy detal ma znaczenie dla stabilności i funkcjonalności całego systemu. Poniżej przedstawiam sprawdzoną instrukcję krok po kroku, którą stosuję w mojej pracy.
Wymiarowanie wykopu ile zapasu zostawić po bokach?
Pierwszym krokiem jest precyzyjne wyznaczenie miejsca i wymiarów wykopu. Zawsze zalecam, aby wykop był większy niż sam zbiornik. Optymalnie, powinno to być około 20 cm zapasu z każdej strony (długość, szerokość, głębokość). Ten dodatkowy margines przestrzeni jest kluczowy. Umożliwia on swobodne manewrowanie zbiornikiem podczas opuszczania go do wykopu, a co najważniejsze, pozwala na prawidłowe wykonanie podsypki stabilizującej oraz obsypki wokół zbiornika. Bez tego zapasu nie da się poprawnie zagęścić materiału obsypkowego, co może prowadzić do niestabilności.
Przygotowanie dna klucz do stabilnego posadowienia
Dno wykopu to fundament, na którym spoczywać będzie cały ciężar zbiornika i zgromadzonej w nim wody. Musi być ono starannie wypoziomowane, zagęszczone i stabilne. Po osiągnięciu docelowej głębokości, upewnij się, że dno jest równe i twarde. W przypadku gruntów mało stabilnych lub gliniastych, często stosuje się warstwę pospółki lub chudego betonu jako dodatkowe wzmocnienie. Równomierne podparcie zbiornika na całej jego powierzchni minimalizuje ryzyko punktowych naprężeń, które mogłyby prowadzić do uszkodzeń konstrukcji.
Podsypka i obsypka czym obłożyć zbiornik, a czego unikać?
Podsypka i obsypka to warstwy materiału, które otulają zbiornik, zapewniając mu stabilizację i ochronę. Do tego celu należy stosować wyłącznie piasek płukany lub mieszankę piaskowo-cementową (tzw. chudy beton). Materiał ten powinien być układany warstwami i starannie zagęszczany, aby równomiernie rozłożyć nacisk na ścianki zbiornika. Co niezwykle ważne, nigdy nie należy używać ziemi rodzimej z wykopu, kamieni czy gruzu do obsypki. Te materiały mogą zawierać ostre krawędzie lub nierówności, które pod wpływem nacisku gruntu mogą punktowo uszkodzić lub nawet przebić ścianki zbiornika. To błąd, który widziałem zbyt wiele razy i zawsze kończy się źle.
Poziomowanie zbiornika precyzja, która procentuje
Po opuszczeniu zbiornika do wykopu, kluczowe jest jego precyzyjne wypoziomowanie. Zbiornik musi być ustawiony idealnie poziomo, co można sprawdzić za pomocą poziomicy. Dlaczego to takie ważne? Po pierwsze, precyzyjne wypoziomowanie gwarantuje równomierne rozłożenie obciążeń na całą konstrukcję zbiornika, co przedłuża jego żywotność. Po drugie, jest to niezbędne dla prawidłowego działania systemu zapewnia optymalne warunki dla grawitacyjnego odpływu wody z rur do zbiornika oraz prawidłowe funkcjonowanie ewentualnych systemów filtracji czy pomp. Precyzja na tym etapie to inwestycja, która procentuje bezawaryjną pracą przez lata.Najczęstsze błędy przy ustalaniu głębokości i ich kosztowne konsekwencje
Przez lata pracy w branży widziałem wiele instalacji zbiorników na deszczówkę. Niestety, często spotykam się z błędami, które wynikają z niedostatecznej wiedzy lub pośpiechu. Chcę Cię przed nimi ostrzec, ponieważ konsekwencje mogą być naprawdę kosztowne i frustrujące. Pamiętaj, że lepiej zapobiegać niż leczyć, zwłaszcza gdy mówimy o podziemnych instalacjach.
Zbyt płytki montaż: ryzyko zamarznięcia i uszkodzenia mechanicznego
To chyba najczęściej popełniany błąd. Zbiornik zamontowany zbyt płytko, powyżej lokalnej strefy przemarzania, jest bezpośrednio narażony na działanie mrozu. Woda w zbiorniku i rurach doprowadzających zamarza, zwiększając swoją objętość i wywierając ogromne ciśnienie na ścianki. Efekt? Pęknięcia, deformacje, uszkodzenia rur, a w skrajnych przypadkach całkowite zniszczenie zbiornika. Dodatkowo, płytkie posadowienie zwiększa ryzyko uszkodzeń mechanicznych od nacisku gruntu, a także od obciążeń powierzchniowych, nawet jeśli nie ma tam ruchu kołowego. Naprawa takiej awarii to zazwyczaj konieczność ponownego odkopania zbiornika, co wiąże się z ogromnymi kosztami i utratą funkcjonalności systemu na długi czas.
Zbyt głęboki montaż: problemy z dostępem i ciśnieniem gruntu
Choć rzadszy, zbyt głęboki montaż również nie jest optymalny. Po pierwsze, utrudnia to dostęp do zbiornika w celach konserwacyjnych, inspekcji czy ewentualnych napraw. Każda interwencja staje się bardziej skomplikowana i czasochłonna. Po drugie, choć może się to wydawać paradoksalne, zbyt duża warstwa gruntu nad zbiornikiem może generować nadmierne ciśnienie na jego konstrukcję. O ile zbiorniki są projektowane na pewne obciążenia, przekroczenie ich limitów, zwłaszcza w połączeniu z nieodpowiednią obsypką, może prowadzić do deformacji, a nawet zgniecenia zbiornika. Zawsze należy znaleźć złoty środek, zgodny z zaleceniami producenta i warunkami gruntowymi.
Ignorowanie poziomu wód gruntowych: deformacja lub wypchnięcie zbiornika
Jak już wspominałem, wysoki poziom wód gruntowych to wróg numer jeden dla podziemnych zbiorników. Ignorowanie tego czynnika jest jednym z najbardziej katastrofalnych błędów. Pusty lub częściowo opróżniony zbiornik, znajdujący się w wodzie gruntowej, będzie działał jak łódź podwodna. Siła wyporu może go całkowicie wypchnąć na powierzchnię, niszcząc instalację, otoczenie i generując gigantyczne koszty naprawcze. Widziałem zbiorniki, które "wypłynęły" niczym boje, a ich ponowne osadzenie było niezwykle trudne i wymagało specjalistycznego sprzętu. Zawsze należy przeprowadzić badanie poziomu wód gruntowych i zastosować odpowiednie zabezpieczenia, takie jak kotwienie czy płyty dociążające.
Przeczytaj również: Rynny Kaczmarek: Gdzie kupić? Znajdź najlepszą ofertę!
Niewłaściwa obsypka jak nie dopuścić do zgniecenia zbiornika?
Użycie niewłaściwych materiałów do obsypki to kolejny powszechny błąd, który może prowadzić do poważnych uszkodzeń. Jeśli do obsypki użyje się ziemi rodzimej, kamieni, gruzu czy innych materiałów o nieregularnej strukturze, pod wpływem ciężaru gruntu i ewentualnych obciążeń powierzchniowych, mogą one wywierać punktowy nacisk na ścianki zbiornika. Taki nacisk, zamiast równomiernego podparcia, może doprowadzić do pęknięć, zgniecenia lub uszkodzenia strukturalnego zbiornika. Pamiętaj, że obsypka z piasku płukanego lub mieszanki piaskowo-cementowej to nie fanaberia, ale kluczowy element zapewniający długotrwałą ochronę i stabilność Twojej inwestycji.
